Stabilité et formule Mignet : Nouvelles réflexions sur la stabilité longitudinale des appareils de formule Mignet.
Pierre ROUSSELOT
Ex rédacteur de la revue MRA
Amateur et chercheur en aérotechnique
2 : INTRODUCTION (ndlr : de Philippe LABBE commanditaire de ce travail)
A-t-on suffisamment seriné les mérites du POU DU CIEL pour sa sécurité ? Doit-on en rabâcher les points forts qui sont :
– " L’invrillabilité " de la machine,
– Le contrôle total, possible en permanence, au "troisième régime " à savoir pendant la descente parachutale,
– Une stabilité en roulis à toute épreuve.
(On peut d’ailleurs dire que c’est cette sécurité en roulis qui paralyse les pilotes de machines classiques. Car dès la prise en main, il leur manque " quelque chose " qui les conduit à surcompenser les corrections en roulis. C’est probablement ce qui leur fait dire que "le virage est un dérapage permanent ". C’est faux. Ce dérapage n’existe qu’au début de la mise en mouvement du lacet. Il disparaît quasi immédiatement. Voir à ce sujet les exposés de l’ingénieur MOTTEZ). Car, malgré tout le mal que se sont donné les promoteurs de la formule, certains pilotes de l’ancienne génération - il faut tout de même bien le dire - continuent de colporter, par ignorance, les lieux communs qui nuirent à la formule (et cela continue), parce que jamais démentis. ( Trop dormir nuit...).
Malgré tout, si le POU DU CIEL a des qualités indéniables, il a, comme toutes les machines volantes, également des inconvénients. La sécurité, l’objectivité, voire la bonne foi, voulaient que la lumière fût faite sur ces questions. Seul Yves MILLIEN eut le courage d’en parler dans un essai publié dans PILOTE PRIVE N° 23 de septembre 1975 : " Le dossier noir du POU DU CIEL "…
Lorsque j’étais jeune pilote en école sur HM381, je me suis fait un jour, vertement houspillé par mon instructeur, moustachu de la formule. Ceci parce que j’avais, à une vingtaine de mètres du sol, brutalement poussé le manche secteur avant pour rattraper une pente d’approche un peu longue. Malgré l’issue heureuse de ce geste, je ne mesurais pas alors, ce qui aurait pu arriver en cas de rafale. Il ne fallait pas… Point. Trente ans plus tard, j’ai voulu comprendre.
Les explications données par mes aînés sur la stabilité longitudinale du POU DU CIEL ne me satisfaisaient pas.
L’exploration des domaines de stabilité en soufflerie, ou les essais menés par certains pionniers, ont conduit à des résultats qui furent constatés, mais jamais expliqués de façon cohérente. Car les outils permettant de quantifier certains phénomènes aérodynamiques, manquaient, ou n’avaient tout simplement jamais été utilisés. Ces explorations permirent tout de même, de définir expérimentalement des plages de sécurité relatives au positionnement du centre de gravité des machines essayées. C’était déjà beaucoup, et cela permit à la formule d’exister. Cependant, le fait marquant de cette lacune, à savoir l’absence de théorie de la stabilité longitudinale du POU DU CIEL, permit aux adversaires de la formule les plus tenaces, de continuer à mettre en évidence leur ignorance !
Par ailleurs, doit-on se poser la question de savoir si l’ " Aura " dont je fais état dans l’introduction de ce manuel, permit d’entretenir cette lacune de taille ? Et aux partisans de la formule de dormir sur leurs deux oreilles ?
En 1998, je tentais de mettre en relation 3 ingénieurs, qui avaient défriché partiellement, chacun de leur côté, cette question de taille. Pour des raisons liées à la santé de l’un d’eux, le regroupement de ces personnes ne put se faire et le projet ne reposa plus que sur deux personnes. Le décès prématuré de l’une d’elles, laissa en lice un ingénieur des ARTS et METIERS, ancien directeur de la bien connue revue MRA, Pierre ROUSSELOT .
C’est en lisant un article qu’il signa, " équilibre et stabilité " paru dans le N° 702 de cette revue en juin 1998, que je pressentis son intérêt pour le sujet. Il voulut bien répondre à mes courriers, dans lesquels je lui exposais mon " angoisse " -réelle- parce que la formule connaissait un nouveau regain de popularité.
Pierre accepta de travailler sur cette question. Pendant trois années, il mena de véritables enquêtes, piocha le renseignement dans des manuels étrangers, se procura tous les travaux disponibles sur le sujet, y compris ceux des souffleries. Il remit ainsi en question ses propres connaissances, et pas à pas, reconstitua avec une démarche d’ingénieur, le chemin qui mène au calcul théorique du centrage de ces machines. Dans ce dédale, les surprises furent nombreuses. Pour exemple, la mise en évidence d’une réserve de stabilité éminemment variable, la quantification des déflexions, et j’en passe. L’analyse d’un certain nombre de rapports d’accidents, et de témoignages de pilotes, portèrent son attention en tout dernier lieu sur la dynamique de l’aile avant. Travail de fourmi ? Non. Merci Pierre pour ce travail formidable, car la formule devient plus claire. Il est certain que la synthèse future de ces travaux, sous forme d’abaques permettant de situer les limites de la stabilité des POU DU CIEL, ou des machines apparentées à cette formule, constituera pour un public non averti, le couronnement de cette affaire.
Jusqu’à ce que P. ROUSSELOT aborde le sujet, il semble bien que, dans tout cela, la confusion ait régné depuis le début de l’existence de la formule. Et que l’on ait confondu incidence de l’aile avant (par rapport à la direction de la vitesse) et calage de cette même aile (par rapport au fuselage). Que l’on n’ait pas affecté à l’appareil, des repères choisis avec le discernement voulu pour l’étude de ses paramètres, dans certains domaines de vol. Et que la piste faisant état de l’existence d’un effet de fente, propice à la stabilité longitudinale, soit maintenant, du domaine de la légende. Plus encore, les essais de NENADOVITCH, qu’on mit en avant de bonne foi, furent interprétés de façon erronée.
Tout cela parce que jamais personne ne rendit publiques les causes des variations importantes de la stabilité constatées sur ce type de machines.
Une première communication des travaux de Pierre ROUSSELOT fut effectuée à PARIS en 1999 en présence de quelques invités, dont PIERRE MIGNET. Une conférence eut lieu au rassemblement d’EPINAL de la même année. Et nous savons enfin pourquoi il ne faut pas jouer avec les limites de centrage de cette machine, ce que soulignait déjà G. JACQUEMIN dans le présent manuel (voir encadré page 8). J’ai demandé à Pierre s’il voulait bien synthétiser ses travaux pour les CONSTRUCTEURS AMATEURS dans un document didactique. Il le fit de bonne grâce. Qu’il en soit vivement remercié. En première publication, je lui laisse donc la parole.
PHILIPPE LABBÉ 09/2001
3 : CONDITIONS GENERALES DE LA STABILITE
3-1 : EXISTENCE D’UN FOYER
Considérons une girouette, articulée sur un axe G ; elle indique bien la direction d’où vient le vent. On sait, sans faire de calculs, qu’elle changera de direction en même temps que tourne le vent, se mettant face à lui. C’est la figure 1. Si on l’écarte, à la main, de cette position d’équilibre, elle y reviendra : on dit qu’elle est stable.
Sur la figure 2, on a représenté une girouette dont l’axe se trouve très près de la grande surface ; on comprend d’instinct qu’elle tourne le dos au vent ; si on la remet dans le bon sens, elle s’écartera et trouvera la position d’équilibre indiquée par la figure 2. On dit que, flèche dans le vent, elle est instable.
Sur la figure 3, on voit une girouette, dont l’axe se trouve dans une position intermédiaire ; son comportement semble inspiré par le démon : elle reste dans la position dans laquelle on la met, ignorant totalement la direction d’où vient le vent. L’artisan qui l’a construite est pendu aussitôt !
Afin d’éviter de subir le même sort, retournons sur les bancs de l’école, dans le but de nous mettre d’accord sur quelques faits et notations.
– On sait déjà que des surfaces, faisant un angle (incidence) avec la direction du vent, donnent une force (portance), proportionnelle, en gros, à leur grandeur.
– Lorsque la girouette est dans le lit du vent, il n’y a pas de force.
– Si on l’en écarte légèrement, il se produit deux petites forces, une sur chaque surface, que l’on va appeler des variations de force, " variation " étant la différence, ici, entre (petit) et (zéro) = (petit) - (zéro) = petit.
– Cette petite quantité sera notée ( plus pratique sur les schémas) D, c’est-à-dire " delta ", lettre grecque pour D.
D = variation d’une grandeur = différence entre deux valeurs = petite quantité
Ces " D forces " passent par le Foyer de la surface, situé à peu près au quart avant de leur corde moyenne.
Sur la figure 4, on a l’explication : Lorsque l’on écarte la girouette du lit du vent, d’un angle D a, les surfaces avant (S1) et arrière (S2) produisent des variations de force D R1 et D R2 dont la somme est D R1 + D R2 = D R , résultante dont le point d’application est en F, tel que :
DR1 · x1 + D R2 · x2 = 0 , que l’on écrit aussi : x1 / x2 = - D R2 / D R1
- Si l’axe G est situé en avant de F (par rapport à la direction du vent), la girouette est stable, figure 1. En effet, il se produit un moment de rappel :
D Moment = [D R · (distance G à F)] (figure 4)
qui est de sens contraire à celui produit par l’écartement à la main. - Si l’axe G est en arrière de F, le moment est de même sens, la girouette est instable autour de la position d’équilibre initiale ; elle s’en écarte, pour en trouver une nouvelle, figure 2.
- Si l’axe G est en F, la distance de G à F étant nulle, le moment est nul. La girouette n’est soumise à aucune variation du moment, on dit que l’équilibre est indifférent, figure 3.
F est appelé Foyer des deux surfaces. Les variations de forces passent par le Foyer. Il n’y a donc aucune variation de moment autour du Foyer
I-3-2 : LA GIROUETTE DE FORMULE MIGNET
Imaginons qu’un esprit malin et débrouillard, après avoir lu ce qui précède, se dise soudain :
" - J’ai bien compris que la surface qui écarte la girouette de sa position d’équilibre, celle qui est déstabilisatrice, est la surface qui se trouve devant.
– Si j’articule cette surface en G1, en avant de son propre foyer, elle va se redresser d’elle-même sous l’effet d’une perturbation, annulant de facto le moment qu’elle pourrait produire. Cela donne le croquis 5.
– Il sera possible, ainsi, de donner une dimension quelconque aux deux surfaces, et de placer l’axe G où cela m’arrange, puisqu’il ne subsistera que le moment redresseur de la surface arrière.
– Ma girouette sera ainsi infiniment, et auto, stable ".
4 : CAS DE L’AVION :
Bien entendu, tout le monde a compris l’analogie :
- les surfaces S1 et S2 sont les ailes avant et arrière.
- F1 et F2 sont les foyers de ces ailes.
- le point F est le foyer général de l’avion.
- le point G est le centre de gravité de l’avion.
- le point G1 est l’articulation de l’aile 1, sur un formule MIGNET
La seule condition, pour qu’un avion, quelle que soit sa formule, soit stable, est qu’il soit centré en avant de son Foyer général.
Toutes les autres soi-disant explications ne sont que des discours partiels, ou inexacts ; la vérité étant beaucoup plus simple, mais jamais facile à comprendre, car il faut, auparavant, balayer les idées fausses. Je le sais, j’y suis passé !
La détermination de l’emplacement d’un foyer avion est une affaire de " spécialiste " car au moins 8 paramètres entrent en jeu, et ce dans les cas les plus simples.
IL EXISTE PLUSIEURS FOYERS :
- Un lorsque le manche est tenu fermement ou attaché, c’est le foyer " manche fixe " ou " manche bloqué ".
- Un autre lorsque le manche est lâché, ou libre, car la surface mobile n’est jamais totalement libre (masse, inertie, frottements).
- Et d’autres encore…
La solution simple consiste à considérer la position la plus défavorable du Foyer et à s’assurer que le centre de gravité ne passera jamais derrière ; sinon, l’avion fera comme la girouette 2 qui n’indique pas le bon sens.
La présence du fuselage : est toujours déstabilisante, mais un biplace côte à côte l’est plus qu’un monoplace, un long nez ou un capot large le sont plus qu’un nez court ou un capot étroit ; le Foyer des deux ailes avance donc, du fait du fuselage, de 10 à 20 mm pour un HM 293, à 20 à 40 mm pour un CROSES EC-6.
5 : CONDITIONS DE L’EQUILIBRE :
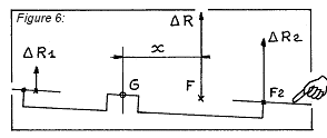
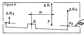
La girouette ne se trouve en équilibre stable que dans les positions 1 et 2, c’est à dire lorsque l’incidence est nulle, ainsi, donc, que les résultantes aérodynamiques . Ce fait est infiniment gênant pour l’avion, condamné à rester au sol, sauf si l’on trouve le moyen de lui faire indiquer une direction autre que celle du vent.
Supposons que, à partir de l’incidence nulle, nous inclinions la girouette, qui crée alors une variation de portance (entre zéro et la position retenue), comme sur la figure 4. Or, comme l’articulation est en G, lui-même en avant de F par besoin de stabilité, il s’est créé un moment piqueur égal à :
DR · x (figure 6).
L’équilibre ne peut être maintenu que par le doigt du manipulateur.
- Notre avion n’est pas à géométrie variable, à F est fixe.
- Il ne possède pas de lest mobile à G est fixe.
- La seule solution que nous puissions appliquer est de donner des incidences différentes aux deux ailes, afin que les moments s’équilibrent autour du centre de gravité : la résultante R passe alors par le C.G. (Figure 7.)
On a alors : R1 · x1g + R2 · x2g = 0 et R1 + R2 = R
Pour que le schéma soit exact, il ne faut pas oublier la masse à emporter, supposée concentrée en G, et qui apparaît sous forme de Poids = Force = M · g.
On a le droit de faire du vélocipède comme M.JOURDAIN faisait de la prose, mais peut-on piloter sans avoir réfléchi sur tout ce qui précède ! Soyons certains que les frères WRIGHT, les premiers à avoir " piloté ", y avaient pensé ; comme par hasard, ils étaient fabricants de cycles…
C’est ce que Raymond SIRETTA, fondateur de la revue AVIASPORT, appelait " voler intelligemment ".
6 : NECESSITE DU PILOTAGE :
La girouette de la figure 7 n’est en équilibre que pour un seul angle d’assiette q (têta, lettre grecque pour th). Elle est en équilibre stable car des micro-variations de cette assiette font naître des micro-forces, dont la résultante est appliquée au Foyer, qui la ramènent à son état initial. Les micro-forces figuraient sur la figure 4.
S’il faut trouver un équilibre différent, il faut compenser le micro-moment piqueur (ou cabreur) par une variation adéquate de l’incidence de l’un des plans, ici le plan 1. Sur un avion, ces variations d’assiette permettent d’obtenir la force portante désirée, compte tenu des variations de vitesse.
Nous savons maintenant piloter un avion stable, et nous savons ce que nous faisons.
7 : CAS PARTICULIERS DES AVIONS A AILES HAUTES ET C.G. BAS :
Supposons que, pour simplifier, le Foyer Général soit fixe par rapport à l’avion, et que, cela est préférable, ce soit autour de son centre de gravité que l’avion oscille en incidence. On voit, sur la figure 8, que la marge de stabilité (la distance x) varie :
- Aux fortes incidences, l’avion va vers plus de stabilité.
- Aux faibles incidences, l’avion va vers moins de stabilité.
Cette constatation, valable pour toutes les formules d’avions, a été rapportée par les aérodynamiciens, à propos du HM-14 en 1935, sans aucune explication. Ce n’était effectivement pas clair avec le raisonnement de
" -l’empennage-redresseur-qui-possède-un-grand-bras-de-levier ", théorie fausse qui a encore ses partisans !
La théorie du Foyer avion a été émise pour la première fois en Angleterre, en 1944, et elle a été acceptée rapidement dans les pays anglo-saxons.
C’est le point neutre (neutral point) rapporté par G. JACQUEMIN en page 8 de cet ouvrage (qui l’a remarqué ?) avec quelques lignes sur son mouvement autour du C.G. Si G.JACQUEMIN n’a consacré qu’un quart de page à cette question, c’est qu’il subsistait deux inconnues que nous allons examiner dans les deux prochains paragraphes :
8 : ETUDE DE L’AILE " VIVANTE " :
L’aile étant articulée en dessous de son intrados, en G1, cela signifie que le Foyer de l’aile se trouve au-dessus de l’axe d’articulation, à environ 0,14 m sur le HM 293, tout en étant en arrière de 0,023 m. Si on calcule la stabilité de cette aile à diverses incidences, donc pour divers coefficients de portance, on constate que :
- Pour les Cz usuels, les variations de la force résultante (les D forces déjà vues à propos de la girouette) passent en arrière du point d’articulation, c’est la figure 9 A ; l’aile réagit en effaçant la perturbation.
- Pour un Cz négatif, de l’ordre de - 0,5, la D résultante passe par l’articulation ; l’aile est indifférente, elle ne réagit pas et encaisse donc toutes les variations de force sans s’orienter dans un sens ou dans l’autre ; tout se passe comme si elle était " bloquée ", aérodynamiquement parlant, c’est la figure 9 B.
Attention : dans ce cas, le pilote ne perçoit rien : il y a toujours un effort dans le manche, celui-ci agissant toujours dans le bon sens.
Essayons de faire une analogie avec la bicyclette, figure 10, qui se trouve en montée et exerce une force résistante - T équilibré par un effort + T fourni par le cycliste. Si ce dernier exerce une variation de poussée DP dirigée vers l’axe du pédalier, il ne se passe rien, le pédalier semble " bloqué " mais l’effort + T existe toujours.
La caractéristique essentielle d’une aile articulée en avant et en dessous de son foyer, est qu’elle est plus ou moins vivante : beaucoup aux forts coefficients de portance (faibles vitesses de vol), puis de moins en moins au fur et à mesure que son coefficient de portance diminue, donc que la vitesse augmente et / ou que sa charge alaire diminue.
La figure 9 C représente la variation de " vivacité " de l’aile en fonction de son coefficient de portance Cz1 :
Courbe x x x x pour une aile sans masse, ou équilibrée statiquement : en bas à droite, au Cz de - 0,5, l’aile est considérée comme fixe. En partant sur la gauche, vers les Cz1 forts, la courbe s’élève vers une aile de plus en plus vivante.
Courbe o o o o pour une aile ayant une masse dont le centre de gravité est en arrière du point d’articulation G1, et non équilibrée statiquement : la courbe se déplace vers le bas ; le Cz1 pour lequel elle se comporte comme si elle était " bloquée ", passe de - 0,5 à pratiquement zéro, c’est-à-dire qu’il remonte vers des valeurs plus accessibles en vol.
Courbe H H H H qui tient compte des effets de l’inertie : lorsque l’aile efface une perturbation, elle subit une accélération qui entraîne, par inertie de sa masse, un ralentissement du mouvement.
Lorsque l’aile se trouve en condition " bloquée ", cet effet est nul, puisqu’il n’y a pas de rotation ; il prend de plus en plus d’importance au fur et à mesure que l’aile devient de plus en plus vivante.
9 : POSITION EXACTE DU FOYER AVION, MANCHE FIXE :
Les essais en soufflerie sont faits " manche bloqué ", alors que H.MIGNET s’est toujours insurgé contre cela, car l’aile avant de ses HM était " vivante ". Il a fallut qu’un HM grandeur passe dans la grande soufflerie de CHALAIS-MEUDON, en 1936, et qu’il le pilote, pour constater la réalité des engagements, puis préconise l’aile arrière articulée.
Les variations de stabilité constatées (nous savons que c’est la distance x de la figure 6) sont deux fois plus fortes que ce que donne un calcul en fonction de la rotation du Foyer autour du C.G. Il était donc difficile d’être très affirmatif, car il y avait peut-être " autre chose ".
En fait, et j’ai fait le calcul exact en 1999, tout se passe comme si le Foyer avion, présumé situé entre les deux ailes, se déplaçait deux fois plus vite que ne s’effectuent les variations d’assiette : par exemple, sur le HM 293, figure 11, le Foyer manche fixe se déplacerait suivant un secteur de 28°, contre 12,5° pour l’assiette du fuselage.
Comparons l’aile vivante de la figure 9 à l’aile volante de la figure 8 ; on saisit l’analogie, que l’on peut même pousser jusqu’à la figure 11, en assimilant les ailes décalées à une seule aile avec fente variable.
On peut donc dire que tout avion à ailes hautes et C.G. bas est plus ou moins vivant, c’est à dire plus ou moins stable.
Cela se traduit par la courbe 12, relative à un HM 293, sans décalage entre les ailes, centré à 50% de l’aile avant. On y voit que, si le manche était bloqué, l’avion serait instable à partir de 108 km / h. Il est toujours manœuvrant, mais cela veut dire que, à partir d’une position d’équilibre, il faudrait bouger le manche pour en trouver une autre, puis le bouger ensuite dans l’autre sens pour arrêter le mouvement. De plus, le pilotage serait inconfortable, car les effets des turbulences seraient amplifiés. Tout ceci ayant plus d’importance dans le sens " piqué " car, en cabré, l’instabilité diminue ou même disparaît.
10 : STABILITE DE L’AVION EQUIPE DE L’AILE, PLUS OU MOINS VIVANTE :
On se trouve donc (simplement ! ?) en présence d’un avion plus ou moins vivant, équipé d’une aile principale plus ou moins vivante.
En considérant arbitrairement que l’aile est à demi vivante pour un Cz1 égal à 1, et sachant qu’elle est " bloquée " pour un Cz1 = 0 , il est possible de calculer la position du foyer avion pour des coefficients de portance intermédiaires. Sur la figure 13, la courbe de la figure 12 a été reportée en pointillé, pour comparaisons avec la nouvelle, tracée en continu. L’avion est devenu " neutre " vers 128 km / h, au lieu des 108 km / h précédemment, ce qui est une valeur plus réaliste et pas trop éloignée de la réalité.
11 : ENSEIGNEMENTS PRATIQUES :
11-1 : REGLAGE DE L’AILE VIVANTE :
- Avancer l’axe d’articulation rend l’aile plus vivante, tout en reculant le point de " blocage ", mais augmente beaucoup les efforts au manche ; les annuler à l’aide d’un trim-tab reste possible.
- Equilibrer l’aile permet d’étendre la plage d’utilisation mais augmente le moment piqueur ; le manche tire un peu plus.
- Remonter l’axe d’articulation recule le point de " blocage " et régularise l’effort au manche.
- Au-delà de ce point, vers des coefficients de portance plus faibles, l’aile devient instable ; elle amplifie au lieu d’amortir. Il peut y avoir plusieurs raisons pour lesquelles ce Cz1 est devenu trop faible (pour la position de l’axe) :
- Action volontaire sur le manche.
- Turbulences entraînant des variations d’incidence.
- Centrage arrière " soulageant " l’aile avant.
IL IMPORTE DONC D’INSTALLER UNE BUTEE REGLABLE, QUI LIMITE LE DEBATTEMENT VERS L’AVANT, REGLEE PAR EXPERIMENTATIONS SUCCESSIVES, AUX ENVIRONS DE LA VNE, VITESSE A NE PAS DEPASSER.
UN CENTRAGE TROP ARRIERE PEUT PROVOQUER LE CUMUL DES DEUX INSTABILITES : AVION ET AILE.
11-2 : TRACE DES COURBES D’EQUILIBRE :
Il s’agit, figure 14, de représenter les positions du manche, ou de la gouverne de profondeur, en fonction de l’assiette du fuselage, pour des équilibres obtenus à différentes vitesses de vol. L’interprétation en a été faite par MM. DELLUC, MARCHAL ET SIMON en 1937.
Considérons une des courbes de la figure : elle partage l’espace en deux régions :
- au-dessus, les moments piqueurs.
- au-dessous, les moments cabreurs.
On le vérifie en déplaçant le manche (déplacements verticaux sur le dessin) et en constatant que le moment est bien celui attendu. Voyons maintenant le comportement de l’avion lorsque l’assiette du fuselage varie, en faisant (sur la figure) des déplacements horizontaux, à partir des points notés " V max ", par exemple :
- Sur la courbe " CG avant ", un déplacement à gauche de ce point (vers fuselage piqueur), fait entrer dans la zone des moments cabreurs, ce qui indique que l’appareil est stable.
Figure 14 : déplacements du manche en fonction de l’assiette du fuselage. Courbes types d’un avion de formule MIGNET.
- Sur la courbe " CG arrière ", un déplacement de ce point à gauche fait entrer dans la zone des moments piqueurs ce qui accentue le mouvement : l’appareil est instable. Le centrage arrière maximum est donné par une tangente horizontale ; bien entendu, il est préférable que, à V max, il subsiste une pente minimum.
Comme l’indique M. JACQUEMIN, il est possible de faire, en vol, des relevés de la position du manche, et de l’assiette du fuselage (ou de la vitesse de vol), dans le but de savoir où l’on en est.
12 : EXPLICATIONS DE FAITS RESTES MYSTERIEUX, PASSES SOUS SILENCE, OU NON REMARQUES :
12-1 : LES PREMIERS ACCIDENTS DU HM 14 (1935) :
A la suite des premiers décès, survenus à bord des n° 53, 69 et 81, l’explication donnée par Henri MIGNET était la suivante : rupture, ou faiblesse, du sandow de rappel de l’aile avant ; " l’appareil s’est engagé et, le sandow ne jouant plus, n’a pu être redressé " d’après G.Houard dans " Cent Pou du Ciel ". Or, si nous examinons le dessin et la photo 15, on voit que le (ou les) sandow, repère n°360, est fixé au bord d’attaque ; son rôle était de compenser le poids de l’aile et de la rappeler vers le haut, car la commande de cabré se faisait alors par des câbles tirant sur le bord de fuite (flèche sur le dessin 15).
La première réflexion que l’on se fait est que, si le sandow ne joue plus son rôle, il doit être plus facile de tirer sur le manche pour redresser.
L’explication donnée par H. MIGNET est incompréhensible, si on ne sait pas que l’aile du HM-14 est articulée à 0,35 m du bord d’attaque, donc à son foyer ; lorsqu’elle est équilibrée, elle devient " bloquée " à Cz1 = 0, alors qu’elle le devient dès Cz1 = 0,40, environ, si elle n’est plus équilibrée.
L’expérimentateur hors pair qu’était H. MIGNET avait-il essayé des sandows de forces différentes, avait-il constaté que cela faisait varier la stabilité de l’avion ? N’en a-t-il pas parlé parce que c’était inexplicable ? En tout cas, il était fermement opposé à la commande rigide, plus lourde, et qui permettait de se passer du sandow.
Pour un HM-14 volant à 95 / 100 km / h, alors que le pilote pousse sur le manche pour maintenir l’équilibre, voyons les conséquences d’une rafale de - 2,5 m / s, c’est à dire à peu près moitié moins forte que ce qu’impose la norme FAR 23.
Cette rafale réduit l’angle d’incidence de 5°, ce qui diminue le coefficient de portance de l’aile de 0,38.
- Avec une aile équipée du sandow, le manche pousse plus, de 1,8 kg environ, ce qui amortit la rafale puisque la main du pilote cède légèrement.
- Avec une aile sans le sandow, le manche pousse moins, de 3,5 kg environ ; il part alors vers l’avant, puisqu’il est poussé par le pilote.
12-2 : PIQUES SOUDAINS :
Le constructeur du HM-14 n°41 signalait déjà que son appareil s’engageait en piqué, de façon aléatoire, lors de vols de promenade.
Je possède le témoignage d’un pilote, désireux de garder l’anonymat, qui a subi deux piqués, sur un CROSES LC-6. Il s’en est sorti en coupant les gaz et en tirant de toutes ses forces sur le manche ; à chaque fois, celui-ci est parti en avant, et c’est lui qui m’a demandé d’insister sur la nécessité d’une butée.
Lors du premier incident, survenu à bord d’un appareil centré " normalement ", cela s’est produit lors d’un passage pleins gaz, en léger piqué ; les roues ont touché le sol lors de la ressource ! Le second s’est produit avec un appareil centré " arrière ", en vol de croisière, donc avec un Cz1 voisin du premier.
Ce pilote connaît d’autres cas, avec le même type d’appareil, mais qui n’ont pas été rendus publics. Les voilures des avions CROSES sont caractérisées par un décalage important, qui permet des centrages plus arrière que sur les HM, à cause de la diminution des interactions ; cela favorise l’obtention d’un Cz1 plus faible, et donc l’apparition du phénomène d’instabilité de l’aile avant. Le concepteur indique que des vitesses de l’ordre de 240 km / h ont été atteintes lors des essais de certification effectués par le Centre d’Essais en vol, mais on ignore à quel centrage.
12-3 : MODIFICATION DES COURBES D’EQUILIBRE D’UN HM, PAR VARIATION DE LA MASSE DE L’AILE AVANT :
Grâce à l’obligeance de Pierre MIGNET, j’ai pu consulter, en avril 2000, les relevés des interinclinaisons de plusieurs appareils du même type. J’ai tracé deux courbes d’équilibre relatives à deux appareils, figure 16 :
- l’un, qui sert de référence, avec les repères D.
- l’autre, repères x, d’une masse un peu supérieure, centrée plus avant de 23 mm, ce qui est contradictoire avec la diminution de l’incidence de l’aile avant, constatée à toutes les vitesses de vol, ainsi qu’avec la pente moins forte de la courbe.
J’ai signalé cette anomalie au bureau d’études de la firme, qui m’a répondu :
" L’appareil est équipé d’un parachute pyrotechnique pesant 13 kg ; il est installé sur l’arrière du longeron de l’aile avant, tout contre, ce qui augmente légèrement l’inertie de l’aile, et donc son comportement en rafales ; en termes de pilotage, les différences sont minimes ".
Félicitons les responsables, pour leur communication, et essayons de comprendre ce fait expérimental contradictoire, ce que j’avais renoncé à faire, jusqu’à ce que je cherche à calculer, puis analyser, l’influence de la masse d’une aile vivante sur son comportement.
Le raisonnement est le suivant :
- Les augmentations de masse et d’inertie rendent l’aile moins vivante,
- D’où avancée du Foyer Avion,
- D’une valeur plus grande que celle du centrage, puisque la pente de la courbe d’équilibre a diminué,
- Ce qui diminue le moment piqueur que l’aile avant doit compenser, la différence étant un moment cabreur,
- Dont l’équilibrage nécessite de rendre la main.
Un centrage avancé, qui provoque normalement une augmentation du coefficient de portance de l’aile avant aboutit, ici, à une diminution, du fait de l’avancée du Foyer provoquée par l’accroissement de la masse et de l’inertie de cette aile.
En règle générale :une diminution de stabilité, sur tous les types d’avions, qu’elle soit provoquée par un recul du centrage ou par une avancée du Foyer, nécessite de pousser sur le manche, pour une vitesse de vol identique, et pour une même masse. Et inversement.
12-4 : INSTABILITE SOUS FACTEUR DE CHARGE :
Le phénomène m’a été révélé par Philippe TISSERANT, rédacteur en chef de la revue " Vol Moteur ", qui l’avait constaté lors d’un essai en vol du biplace " Onyx ", biplace canard, équipé d’un plan avant articulé suivant le principe de l’aile vivante. En manœuvres, sous facteur de charge, l’Onyx tel qu’essayé ce jour-là, avait tendance à amplifier les ordres du manche, c’est-à-dire qu’il partait en divergence. Normalement, en évolutions, tout avion voit sa stabilité légèrement augmentée, car les plans avant et arrière n’ont pas tout à fait le même rayon de virage que le centre de gravité.
Avec l’aile vivante, voici ce qui se passe :
- La traction sur le manche ajoute une force supplémentaire.
- Le mouvement de rotation de l’aile, lors de la prise d’incidence en début de manœuvre, augmente son action déstabilisatrice (revoir la girouette).
- Le facteur de charge positif augmente le poids apparent de l’aile mobile.
On comprend donc que l’aile avant, rendue moins vivante, fasse avancer le Foyer qui passe devant le C.G., révélant ainsi une stabilité marginale en vol normal ; ceci est confirmé par une phrase du concepteur de l’Onyx :" Il a tendance à partir lentement en léger piqué lorsqu’il vole à sa vitesse max".
Sur un avion canard tel que l’Onyx, la stabilité ne doit pas être trop forte aux grands angles, car la petitesse du plan avant ne permettrait pas le maintien d’une assiette cabrée.
Par contre, cela fait moins varier sa stabilité (la distance x), que sur un formule MIGNET car le Foyer, assez proche de l’aile arrière, ne se trouve pas à une hauteur trop grande au-dessus du centre de gravité.
A contrario, sur un formule HM :
REHAUSSER L’AILE AVANT AUGMENTE LA VARIATION DE STABILITE.
13 : RESUME ET CONCLUSIONS :
Les exemples donnés au chapitre précédent montrent bien qu’il faut faire la distinction entre les trois points suivants :
13-1 LA STABILITE DE L’AILE VIVANTE, INDEPENDANTE DE CELLE DE L’AVION, MAIS INFLUANT SUR CELLE-CI PAR DEPLACEMENT DU FOYER AVION.
Comme il faut exclure l’emploi d’une aile équilibrée statiquement, à cause de la surmasse que cela implique, et pour une articulation située au maximum à 20 mm sous l’intrados d’une aile pratiquement sans dièdre, il ne faut pas placer l’articulation à moins de (0,02 fois la corde moyenne) du Foyer de l’aile.
- Pour un profil 23112, le foyer est à 0,237 de la corde
- Pour un profil 23012, le foyer est à 0,240 de la corde
La détermination de l’emplacement de la corde moyenne d’une aile, et de son foyer, dépasse le cadre de cet article mais il y a deux cas simples :
– >Pour une aile rectangulaire, ainsi que pour une aile HM à extrémités elliptiques, le Foyer de l’aile se trouve au même endroit sur toutes les cordes.
L’équilibrage de l’effort au manche doit se faire par un tab réglable, qui peut être aidé par un système élastique, repoussant le point de " blocage ". Mais, comme ces systèmes ne sont pas fiables à 100%, il ne faut les considérer que comme une aide. Si on désire réduire la variation de l’effort sur le manche, il faut reculer le point d’articulation mais, il est alors impératif de le remonter par rapport à l’aile.
Dans tous les cas, il ne faut pas alourdir l’aile, en arrière du longeron.
13-2 : LE CENTRAGE DE L’AVION, CONDITIONNANT LA CHARGE ALAIRE DE CHAQUE AILE.
Sur un avion dont le C.G. est bas par rapport aux ailes, l’assiette du fuselage influe sur les bras de levier des Foyers F1 et F2, donc sur la charge alaire de chaque aile, et donc sur le coefficient de portance. (voir la figure 9).
L’ASSIETTE DU FUSELAGE EST DONNEE PAR L’AILE ARRIERE DONT LE CALAGE NE DOIT PAS ETRE MODIFIE.
Calage augmenté -> fuselage + piqueur -> stabilité diminuée et inversement.
LE CENTRAGE " EN ATELIER ", LISSE DE FUSELAGE A L’HORIZONTALE, N’A RIEN A VOIR AVEC LE CENTRAGE EN VOL.
Comparez un HM-14 dont l’aile est posée sur le fuselage, dont l’assiette est de 6° en croisière, et un HM 293 dont l’aile est calée à 6°, et dont l’assiette en croisière est de l’ordre de 2°. De plus, l’assiette dépend de la vitesse de vol, donc de la puissance affichée.
La détermination du rapport des charges alaires dépend de nombreux facteurs, et doit être calculée par un spécialiste.
13-3 LE CENTRAGE DE L’AVION, INFLUANT SUR SA STABILITE PROPRE, PAR DEPLACEMENT DU C.G.
Un avion instable légèrement, mais qui reste manœuvrable, n’est pas dangereux ; son pilotage n’est pas agréable, et ce point peut être facilement réglé par le tracé, puis l’examen, de la courbe d’équilibre vue au paragraphe 9.
Pierre ROUSSELOT - avril 2001
InterAction
Association de Sauvetage Créatif du Savoir Aérotechnique















